Salud Dental Para Todos

   
         
   

 

 

Preparación del metal en la clínica: Microarenado ó grabado electrolítico

El grabado del metal debe ser un proceso meticuloso realizado por el técnico dental ó el odontólogo. El proceso consiste en generar una porosidad superficial  de la base metálica suficiente para que el agente de enlace la penetre y produzca la retención micro-mecánica necesaria para que el puente no sea desalojado en su eje de inserción, durante la función masticatoria..(ver adhesión)

Existe en la actualidad dos proceso de micro-grabado:

  • A- El grabado electrolítico
  • B- El grabado por micro arenado. 
  • A- El grabado electrolítico se produce cuando el metal es sometido a una diferencia de potencial de 12 a 15 voltios y a una carga de 300 miliamperes por centímetro cuadrado en una solución de acido sulfúrico al 10% de concentración, durante 10 minutos

Está técnica necesita de una aparatología especial y se debe cumplir los siguientes pasos:

  1. Se limpia el puente ya terminado con una solución detergente durante 10 minutos en una cuba de ultrasonido.
  2. Se enjuaga con agua destilada por otros 10 minutos, para eliminar los restos del detergente, en baño ultrasónico.
  3. Se seca con jeringa libre de aceite.
  4. Se coloca el electrodo positivo a la pieza, verificando un óptimo contacto.
  5. Se aísla con cera pegajosa las zonas del metal que no se desean grabar
  6. Se introduce el puente en la solución grabadora y se pasa la corriente eléctrica de 12 a 15 voltios, 300 miliamper durante 10 minutos.
  7. Luego se introduce en una cuba de lavado ultrasónico, en una solución de ácido clohídrico al 15%, durante 5 minutos.
  8. Se verifica el patrón de gravado con una lupa y con la jeringa se vierte agua en la zona grabada y con aire a presión se observa que se evapore en forma secuencial, mostrando los poros producidos durante el grabado, al secado tiene un aspecto de escarchado característico.
  9. En el paso siguiente se sumerge en agua helada para fracturar la cera pegajosa y desprenderla del puente, sin contaminar la superficie grabada.
  10. Se debe proteger en un contenedor adecuado para evitar la contaminación hasta su cementado.
  11. Las superficies grabadas do deben tocarse con los dedos, porque puede ser factor de interferencia durante el  cementado; produciendo su despegue al poco tiempo.
Aparato utilizado para el grabado electrolítico:
  1. Indicador de voltaje
  2. Indicador de miliamperaje
  3. Temporizador
  4. Potenciometro
  5. Llave de encendido
  6. Electrodo positvo  en contacto con el puente
  7. Electrodo negativo contacto en con la placa de acero inoxidable

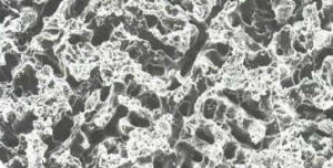
  • Grabado electrolítico de una aleación de niquel cromo,  magnificada a 625 aumentos por el microscopio de barrido electrónico (SEM )
  • En este caso se utilizo una solución de ácido nítrico al 0.5 molar, con una carga eléctrica de 250 miliamperes por centímetro cuadrado, durante 5 minutos. Luego se realizó la limpieza con una solución de ácido hidroclorhidrico al 18% en una cuba ultrasónica, durante 10 minutos
  • Bibliografía:  Etched casting acid etch composite bonded posterior bridges  Van P. Thompson, DOS, PhD  Gus J. Livaditis, DBS, MS (pdf)

En Argentina se comercializó durante un tiempo la aleación Nibón (cromo-niquel) de la empresa Macrodent S.A.  y las soluciones ácidas grabadoras y de limpieza. La solución ácida grabadora era una solución de acido sulfúrico al 10% que generaba un patrón de grabado similar al ácido nítrico. Ver imagen derecha

 
Solo se necesita un microarenador y una campana de arenado. Se utiliza un polvo de de oxido de aluminio de maya 220 a 320 a una presión, entre los 4a 6 Bar. (56,4 a 84,6 libras por pulgada cuadrada)

La exposición o aspiración del óxido de aluminio es perjudicial para la salud (silicosis); por ello el uso de esta técnica debe llevarse a cabo, en un ambiente ventilado y con una campana de arenado.

Muchos colegas suelen arenar los metales en boca del paciente, como los pernos muñones metálicos y puentes para reemplazo de carillas luminoactivadas. Para esta situación es indispensable contar con un aspirador de alto volumen Ver imagen inferior.

 

 
  • Grabado realizado por arenamiento con partículas de óxido de aluminio  de 50 micrones: Observe el aumento de la rugosidad, esto hace que se duplique o triplique la superficie de contacto metálica. En la fotografia se muestra la escala de 0.2 mm
  • Bibliografía: Resin-bonded bridge A practitioner's Guide  W M Tay Editorial  Martin Dunitz Ltd 1992

En Argentina la empresa Tecnodet S.A. comercializa los productos para el microarenado.

Aspecto clínico del micro-arenado con partículas de óxido de aluminio 220.

   
   

Dirección: Od. Marcelo Alberto Iruretagoyena

Wilde Provincia de Buenos Aires. Argentina

 Revisado: JUNIO 2020